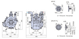
Мембранный насос марки Annovi Reverberi - это гидравлический насос с четырьмя мембранами для профессионального применения в сельском хозяйстве на опрыскивателях для обработки садов или виноградников с использованием средств защиты растений в режиме высокого давления.
Детали контактирующие с перекачиваемыми жидкостями выполнены из аннодированного алюминия и нержавеющей стали AISI 303/304.
Мембраны из BlueFlex, уплотнения выполнены из NBR.
Корпус насоса выполнен по технологии литья под давлением, с установленными мешанической частью насоса в масляной ванне, оснащен резервуаром из прозрачного пластика для визуального контроля уровня масла.
Поставляется с гидро-пневматическим демпфером позволяющим обеспечить высокую равномерность работы и снизить пульсации.
По запросу комплектуется узлом дистанционного управления
По запросу коплектуется набором для установки дополнительного масляного бака.
Пробка для слива масла.
Поршни оснащены специальным сегментом для повышения эффективности” масляной подушки " системы защиты мембраны.
Оснащен системой блокировки мембраны новой конструкции для предотвращения разрывов и контакта жидкостей даже при тяжелых условиях эксплуатации. Клапаны с сферическим профилем, обеспечивающее меньшее сопротивление прохождению жидкости и улучшают объемный выход.
Укомплектован клапаном сброса давления с перезапуском и защитой кардана.
- Мембранный насос
- Инструкция по эксплуатации



















