PRO консультанты
Профессиональный подбор оборудования и аксессуаров
Большой ассортимент
Клинингового оборудования, аксессуаров и запчастей
Сервисная служба
Сервис и обслуживание по всей России
Доставка по России
Доставляем по России - оперативно в любую точку
Описание
Отзывы
Описание
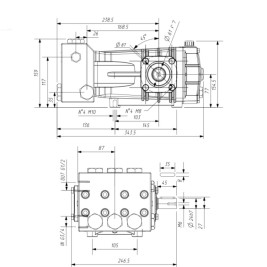
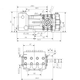
Плунжерный насос TITAN FCL7020 высокого давления – это проверенное решение, созданное для применения в системах, требующих высокого напора.
Насосы марки TITAN характеризуются продолжительным и бесперебойным функционированием, что минимизирует расходы, связанные с техобслуживанием.
Клапанный узел, изготовленный из латуни, обеспечивает стойкость к появлению ржавчины и увеличенный период эксплуатации.
Данные насосы превосходно адаптированы к сложным условиям работы и широко используются в аппаратах высокого давления, в том числе на автомойках самообслуживания, где химические вещества проходят непосредственно через насос.
Характеристики
Бренд
TITAN
Страна бренда
Китай
Гарантия
12 мес
Тип насоса
плунжерный
Рабочее давление (бар)
200
Поток воды (л/час)
4200
Тип привода насоса
без привода
Мощность привода
27 кВт
Частота вращения вала (об/мин)
1450
Тип вала насоса
внешний гладкий
Диаметр вала насоса
24 мм
Сторона выхода вала
правый
Встроенный регулятор
нет
Подключение (вход)
3/4" внутр
Подключение (выход)
1/2" внутр
Габариты, ДхШхВ
343.5 × 246.5 × 159 мм
Вес
23.1 кг
Отзывов ещё нет — ваш может стать первым.
Все отзывы 0
Подборки товаров в категории


























