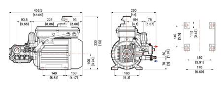
Конструктивное исполнение аппарата Comet MTP LW-K 13/170 TS VA - стационарный моноблок. Электродвигатель в сборе с насосом высокого давления и регулятором давления. Мощный профессиональный насос позволит решить практические любые задачи по очистке водой под давлением. Этот аппарат можно использовать на автомойке, в промышленном и пищевом производстве.
Мойка высокого давления оснащена системой Total-Stop с задержкой отключения электродвигателя. Подобная система значительно увеличивает срок службы как электродвигателя, так и насоса высокого давления из-за многократного снижения количества пусков и остановок мотора.
Аппаратам в комплектации моноблок необходимо организовать место для монтажа. Обычно это сварная металлическая рама или швеллер нужного размера. Крепление аппарата к металлическому основанию крайне желательно производить с использованием демпфирующих резиновых втулок.
Аппарат поставляется без аксессуаров.
Вы можете подобрать пистолет и шланг высокого давления любой длины.








