PRO консультанты
Профессиональный подбор оборудования и аксессуаров
Большой ассортимент
Клинингового оборудования, аксессуаров и запчастей
Сервисная служба
Сервис и обслуживание по всей России
Доставка по России
Доставляем по России - оперативно в любую точку
Описание
Отзывы
Описание
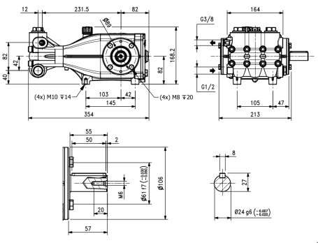
Насос высокого давления HAWK PX 1750 IR предназначен для повышения давления воды до 500 бар! Конструкция с кривошипным передаточным механизмом, износостойкими керамическими поршневыми втулками. Выход вала справа.
Насос используется с электромоторами мощностью 15.8 кВт и с частотой вращения вала 1450 об/мин. Головная часть из высокопрочной штампованной латуни без дополнительного покрытия.
Успешно используются в различных отраслях:
- в установках для мытья транспортных средств, промышленного оборудования и др.;
- для уборки производственных помещений, в стационарных установках;
- для повышения влажности среды, для понижения содержания пыли, противопожарного оборудования, обслуживания труб, трубопроводов, канализации и так далее.
Комплектация
- Насос высокого давления
- Крышка маслозаливной горловины
- Крепежный набор
Документация
Характеристики
Общие хар-ки
Бренд
Страна бренда
Италия
Гарантия
1 год
Тип насоса
плунжерный
Габариты, ДхШхВ
354 × 213 × 168 мм
Вес
19.2 кг
Материал
латунь
Диаметр вала насоса
24 мм
Технические хар-ки
Тип привода насоса
без привода
Рабочее давление (бар)
500
Частота вращения вала (об/мин)
1450
Поток воды (л/час)
1020
Максимальная температура воды на входе (С°)
65
Мощность привода
15.8 кВт
Тип вала насоса
внешний гладкий
Сторона выхода вала
правый
Встроенный регулятор
нет
Подключение (вход)
1/2" внутр
Подключение (выход)
3/8" внутр
Вязкость масла (SAE)
10W-40
Объем масляной системы
1.2 л
Отзывов ещё нет — ваш может стать первым.
Все отзывы 0
Подборки товаров в категории


















