Нижний Новгород
telegram
Нижний Новгород, Московское шоссе, 52
Каталог
Насос высокого давления Bertolini C 40 (1450 об/мин) (389900973)

Насос высокого давления Bertolini C 40 (1450 об/мин) (389900973)

Бренд
Страна бренда
Гарантия
Тип насоса
Склад:
Нет в наличии
44 030
11
Сообщить о поступлении
Сообщить о поступлении товара
Ваша просьба принята!

Вы получите уведомление о поступлении товара в продажу на указанные Вами контакты
Ваш E-Mail
Актуальность
- обязательно к заполнению
Проверка...
PRO консультанты
Профессиональный подбор оборудования и аксессуаров
Большой ассортимент
Клинингового оборудования, аксессуаров и запчастей
Сервисная служба
Сервис и обслуживание по всей России
Доставка по России
Доставляем по России - оперативно в любую точку
Описание
Отзывы
Описание

Плунжерный насос высокого давления Bertolini C 40 оснащен самосмазывающимися уплотнителями, полированные твердые керамические плунжера. Клапаны выполнены из нержавеющей стали и термопластика. Проточная часть из латуни, высокая стойкость к механическим нагрузкам.

Корпус отлит под давлением из алюминия с высоким контролем качества. Шток плунжера изготовлен из нержавеющей стали. Окно для контроля уровня масла. Роликовый подшипник большого размера. Разъемный, кованный шатун, обладает повышенной прочностью.

Насос оснащен эксклюзивной и запатентованной системой охлаждения картера. Проток воды в головке обеспечивает эффективное охлаждение масла в картере.

Особенности:

  • Роликовые подшипники ведущих брендов для всех условий работы.
  • Шатуны из двух частей центрирования на эксцентричные из сплава Tonolli 328 или сплава бронзы, постоянно снижает эффект трения и износа от перегрева.
  • Картер из отлитого под давлением алюминия с характеристиками высокой коррозионной стойкостью и покрыты анодированием против коррозии.
  • Самосмазывающие втулки антифрикционные запатентованная PTFE уменьшают трение и обеспечивают работоспособность для осуществления непрерывной прогрессии.
  • Двойное уплотнение "V" самосмазывающиеся из усиленного эластомера, который оптимизирует продолжительность.
  • Поршни из интегральной керамики высококачественной отделкой поверхности.
  • Всасывающие и выходные клапаны из нержавеющей стали с высокой объемной эффективностью и максимальной мощностью всасывания.
  • Задняя крышка сделана из специальных форм чтобы увеличить количество масла в картере и улучшения смазки.
  • Вилки шатунов самоблокирующиеся.
  • Насос оснащен эксклюзивной и запатентованной системой охлаждения картера.
  • Проток воды в головке обеспечивает эффективное охлаждение масла в картере.
Характеристики
Общие хар-ки
Бренд
Страна бренда
Гарантия
Тип насоса
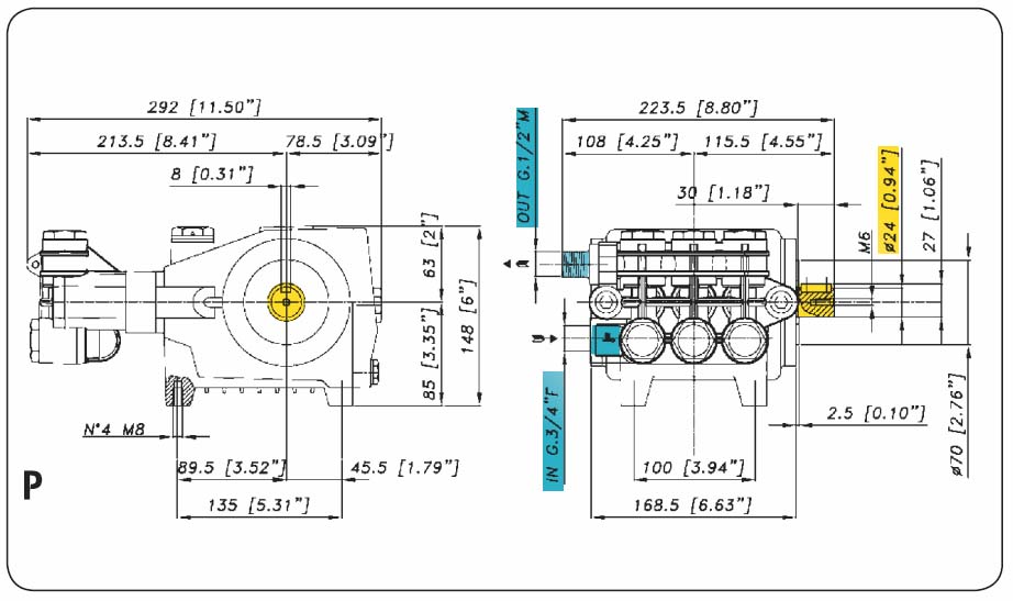
Габариты, ДхШхВ
Вес
Материал
Диаметр вала насоса
Технические хар-ки
Рабочее давление (бар)
Частота вращения вала (об/мин)
Поток воды (л/час)
Максимальная температура воды на входе (С°)
Мощность привода
Тип вала насоса
Сторона выхода вала
Встроенный регулятор
Подключение (вход)
Вязкость масла (SAE)
Объем масляной системы
Отзывов ещё нет — ваш может стать первым.
Все отзывы 0
0.0 / 5