PRO консультанты
Профессиональный подбор оборудования и аксессуаров
Большой ассортимент
Клинингового оборудования, аксессуаров и запчастей
Сервисная служба
Сервис и обслуживание по всей России
Доставка по России
Доставляем по России - оперативно в любую точку
Описание
Отзывы
Описание
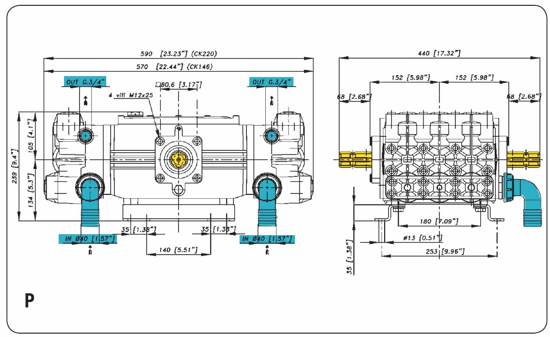
Плунжерный насос высокого давления Bertolini CK 220 P используется для перекачивания чистой, пресной воды с рекомендуемой температурой не выше 60°, допускается смешивание с небольшим количеством чистящих средств. Имеет кривошипно-шатунный принцип действия механизма, три керамических плунжера и головка из латунного сплава обеспечивают максимальную эффективность при минимальном обслуживании.
Особенности:
- Самосмазывающиеся уплотнители.
- Полированные твердые керамические плунжера.
- Клапаны выполнены из нержавеющей стали и термопластика.
- Латунная головка с высокой стойкостью к механическим нагрузкам.
- Корпус отлит под давлением из алюминия с высоким контролем качества.
- Шток плунжера изготовлен из нержавеющей стали.
- Увеличенное окно для контроля уровня масла.
- Роликовый подшипник большого размера.
- Цельный, усиленный алюминиевый шатун, обладает повышенной прочностью.
Комплектация
Документация
Характеристики
Общие хар-ки
Бренд
Страна бренда
Италия
Гарантия
1 год
Тип насоса
плунжерный
Вес
44 кг
Материал
алюминий
Диаметр вала насоса
35 мм
Технические хар-ки
Рабочее давление (бар)
60
Частота вращения вала (об/мин)
550
Поток воды (л/час)
12060
Максимальная температура воды на входе (С°)
60
Мощность привода
21 кВт
Тип вала насоса
внешний шлицевой
Сторона выхода вала
двусторонний
Встроенный регулятор
нет
Подключение (вход)
1 1/2" внутр
Подключение (выход)
3/4" внутр (х2)
Вязкость масла (SAE)
5W-30
Объем масляной системы
2.8 л
Отзывов ещё нет — ваш может стать первым.
Все отзывы 0
Подборки товаров в категории
