Нижний Новгород
telegram
Нижний Новгород, Московское шоссе, 52
Каталог
Насос высокого давления HAWK HD 1115R (HD1115R)
Насос высокого давления HAWK HD 1115R (HD1115R)
Насос высокого давления HAWK HD 1115R (HD1115R)
Насос высокого давления HAWK HD 1115R (HD1115R)

Насос высокого давления HAWK HD 1115R (HD1115R)

Бренд
Страна бренда
Тип насоса
Габариты, ДхШхВ
Склад:
Нет в наличии
22 390
11
Сообщить о поступлении
Сообщить о поступлении товара
Ваша просьба принята!

Вы получите уведомление о поступлении товара в продажу на указанные Вами контакты
Ваш E-Mail
Актуальность
- обязательно к заполнению
Проверка...
PRO консультанты
Профессиональный подбор оборудования и аксессуаров
Большой ассортимент
Клинингового оборудования, аксессуаров и запчастей
Сервисная служба
Сервис и обслуживание по всей России
Доставка по России
Доставляем по России - оперативно в любую точку
Описание
Отзывы
Описание

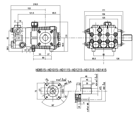
Надежный, проверенный временем насос высокого давления HAWK NMT 1115 R. Конструкция с кривошипным передаточным механизмом, износостойкими керамическими поршневыми втулками. Выход вала справа.

Насос используется с электромоторами мощностью 3.2 кВт и с частотой вращения вала 1450 об/мин. Обычно с этим насосом используются однофазные асинхронные моторы. Головная часть из высокопрочной штампованной латуни без дополнительного покрытия.

Успешно используются в различных отраслях:

  • в установках для мытья транспортных средств, промышленного оборудования и др.;
  • ля уборки производственных помещений, в стационарных установках;
  • для повышения влажности среды, для понижения содержания пыли, противопожарного оборудования, обслуживания труб, трубопроводов, канализации и так далее.
Документация
Характеристики
Общие хар-ки
Бренд
Страна бренда
Тип насоса
Габариты, ДхШхВ
Вес
Материал
Диаметр вала насоса
Технические хар-ки
Тип привода насоса
Рабочее давление (бар)
Частота вращения вала (об/мин)
Поток воды (л/час)
Максимальная температура воды на входе (С°)
Мощность привода
Тип вала насоса
Сторона выхода вала
Встроенный регулятор
Подключение (вход)
Подключение (выход)
Вязкость масла (SAE)
Объем масляной системы
Отзывов ещё нет — ваш может стать первым.
Все отзывы 0
0.0 / 5