PRO консультанты
Профессиональный подбор оборудования и аксессуаров
Большой ассортимент
Клинингового оборудования, аксессуаров и запчастей
Сервисная служба
Сервис и обслуживание по всей России
Доставка по России
Доставляем по России - оперативно в любую точку
Описание
Отзывы
Аксессуары
Описание
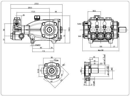
Базовый насос высокого давления HAWK NMT 1520 R с головной частью из высокопрочной штампованной латуни без дополнительных покрытий. Самый дешевый насос HAWK из линейки NMT 1520, предназначен для работы с чистой водой до 50 градусов С (нельзя использовать для прокачки растворов моющих средств).
Надежная, проверенная временем помпа высокого давления. Конструкция с кривошипным передаточным механизмом, износостойкими керамическими поршневыми втулками. Выход вала справа.
Насос используется с электромоторами мощностью 5.5 кВт и с частотой вращения вала 1450 об/мин.
Успешно используются в различных отраслях:
- в установках для мытья транспортных средств, промышленного оборудования и др.;
- для уборки производственных помещений, в стационарных установках;
- для повышения влажности среды, для понижения содержания пыли, противопожарного оборудования, обслуживания труб, трубопроводов, канализации и так далее.
Комплектация
- Насос высокого давления
- Крышка маслозаливной горловины
- Крепежный набор
Документация
Характеристики
Общие хар-ки
Бренд
Страна бренда
Италия
Гарантия
1 год
Тип насоса
плунжерный
Габариты, ДхШхВ
274 × 198 × 145 мм
Вес
9.5 кг
Материал
латунь
Диаметр вала насоса
24 мм
Технические хар-ки
Тип привода насоса
без привода
Рабочее давление (бар)
200
Частота вращения вала (об/мин)
1450
Поток воды (л/час)
900
Максимальная температура воды на входе (С°)
50
Мощность привода
5.5 кВт
Тип вала насоса
внешний гладкий
Сторона выхода вала
правый
D отв. фланца насоса
87 мм
Встроенный регулятор
нет
Подключение (вход)
1/2" внутр
Подключение (выход)
3/8" внутр
Объем масляной системы
0.7 л
Отзывов ещё нет — ваш может стать первым.
Все отзывы 0
24 440 ₽
В наличии
44 740 ₽
В наличии
Электродвигатель Nicolini (5.5кВт, 380В, 1450об/мин, п.в. 24мм, Dфл 87мм, H112, с муфтой)
Артикул:T41127/6NR1A2MG
44 110 ₽
В наличии
Электродвигатель Nicolini (5.5кВт, 380В, 1450об/мин, п.в. 24мм, Dфл 87мм, H112)
Артикул:T41127/6IN1A2ME
37 400 ₽
В наличии
Электродвигатель Melegari Luigi (5.5кВт, 380В, 1450об/мин, п.в. 24мм, Dфл 87мм, H112)
Артикул:140348T002
55 020 ₽
Нет в наличии
Сообщить о поступлении товара
Ваша просьба принята!
Вы получите уведомление о поступлении товара в продажу на указанные Вами контакты
Вы получите уведомление о поступлении товара в продажу на указанные Вами контакты
Ваш E-Mail
Актуальность
- обязательно к заполнению
Проверка...
25 960 ₽
Нет в наличии
Сообщить о поступлении товара
Ваша просьба принята!
Вы получите уведомление о поступлении товара в продажу на указанные Вами контакты
Вы получите уведомление о поступлении товара в продажу на указанные Вами контакты
Ваш E-Mail
Актуальность
- обязательно к заполнению
Проверка...
10 640 ₽
В наличии
21 470 ₽
Нет в наличии
Сообщить о поступлении товара
Ваша просьба принята!
Вы получите уведомление о поступлении товара в продажу на указанные Вами контакты
Вы получите уведомление о поступлении товара в продажу на указанные Вами контакты
Ваш E-Mail
Актуальность
- обязательно к заполнению
Проверка...
2 610 ₽
Нет в наличии
Сообщить о поступлении товара
Ваша просьба принята!
Вы получите уведомление о поступлении товара в продажу на указанные Вами контакты
Вы получите уведомление о поступлении товара в продажу на указанные Вами контакты
Ваш E-Mail
Актуальность
- обязательно к заполнению
Проверка...
Подборки товаров в категории



























