PRO консультанты
Профессиональный подбор оборудования и аксессуаров
Большой ассортимент
Клинингового оборудования, аксессуаров и запчастей
Сервисная служба
Сервис и обслуживание по всей России
Доставка по России
Доставляем по России - оперативно в любую точку
Описание
Отзывы
Описание
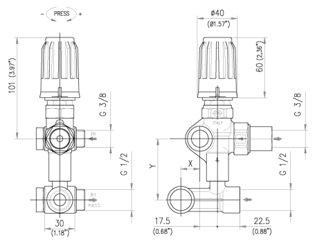
Регулятор высокого давления разгрузочного типа VB56 с соединением полыми винтами, интегрированный By-pass: 1/2" внеш - низкое давление, 3/8" внеш - высокое давление. Встроенные эжектор для моющего средства.
Регулятор в исполнении для подключения датчиков автоматики (Total-Stop) - полый винт 3/8" с внутренней резьбой 1/8", корпус на выходе из регулятора давления с внутренней резьбой 1/8".
Документация
Характеристики
Общие хар-ки
Бренд
PA
Страна бренда
Италия
Рабочее давление (бар)
220
Максимальное давление (бар)
250
Пропускная способность (л/мин)
30
Подключение (вход)
1/2" внутр
Подключение (выход)
М22х1.5 внеш
By-pass
интегрированный
Материал изделия
латунь
Вес
950 г
Отзывов ещё нет — ваш может стать первым.
Все отзывы 0
Подборки товаров в категории












